Cortex ASM - ServiceNow CMDB Enrichment
This Playbook is part of the Cortex Attack Surface Management Pack.#
Supported versions
Supported Cortex XSOAR versions: 6.5.0 and later.
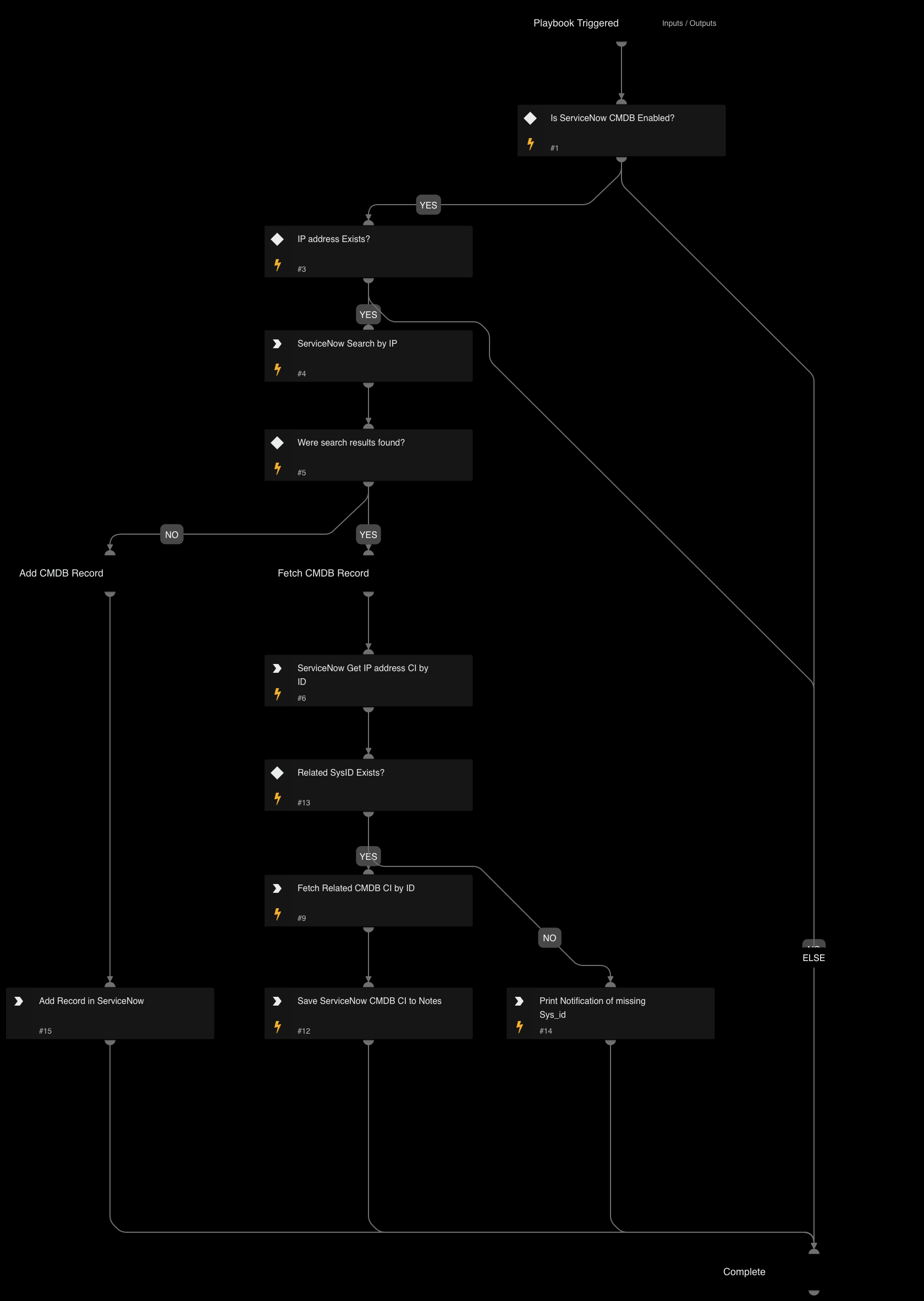
Given the IP address this playbook enriches ServiceNow CMDB information relevant to ASM alerts.
Dependencies#
This playbook uses the following sub-playbooks, integrations, and scripts.
Sub-playbooks#
- ServiceNow CMDB Search
Integrations#
- ServiceNow v2
Scripts#
- GridFieldSetup
- GetTime
Commands#
- servicenow-query-users
Playbook Inputs#
| Name | Description | Default Value | Required |
|---|---|---|---|
| RemoteIP | IP address of service | alert.remoteip | Required |
Playbook Outputs#
There are no outputs for this playbook.
Playbook Image#
